FJP შეფასების ბეჭედი იზოლატორისთვის
აღწერა:
შეფასების რგოლი ასევე გამოიყენება მაღალი ძაბვის მოწყობილობებზე.შეფასების რგოლები ჰგავს კორონას რგოლებს, მაგრამ ისინი გარშემორტყმულია იზოლატორებს და არა გამტარებს.მიუხედავად იმისა, რომ ისინი შეიძლება ასევე ემსახურებოდეს კორონას ჩახშობას, მათი მთავარი მიზანია შეამცირონ პოტენციური გრადიენტი იზოლატორის გასწვრივ, თავიდან აიცილონ ნაადრევი ელექტრო ავარია.
პოტენციური გრადიენტი (ელექტრული ველი) იზოლატორზე არ არის ერთგვაროვანი, მაგრამ ყველაზე მაღალია ბოლოში მაღალი ძაბვის ელექტროდის გვერდით.თუ ექვემდებარება საკმარისად მაღალ ძაბვას, იზოლატორი იშლება და გამტარი გახდება ამ ბოლოში.მას შემდეგ, რაც ბოლოში მდებარე იზოლატორის მონაკვეთი ელექტრონულად დაიშლება და გამტარი გახდება, სრული ძაბვა ვრცელდება დანარჩენ სიგრძეზე, ასე რომ, ავარია სწრაფად გადავა მაღალი ძაბვის ბოლოდან მეორეზე და დაიწყება რკალი გადახურებით.ამრიგად, იზოლატორებს შეუძლიათ მნიშვნელოვნად მაღალი ძაბვის დგომა, თუ პოტენციური გრადიენტი მაღალი ძაბვის ბოლოს შემცირდება.
შეფასების რგოლი აკრავს იზოლატორის ბოლოს მაღალი ძაბვის გამტარის გვერდით.იგი ამცირებს გრადიენტს ბოლოს, რის შედეგადაც ხდება უფრო თანაბარი ძაბვის გრადიენტი იზოლატორის გასწვრივ, რაც იძლევა საშუალებას გამოიყენოს უფრო მოკლე, იაფი იზოლატორი მოცემული ძაბვისთვის.შეფასების რგოლები ასევე ამცირებენ იზოლატორის დაბერებას და გაფუჭებას, რაც შეიძლება მოხდეს HV ბოლოში იქ მაღალი ელექტრული ველის გამო.
| ტიპი | ძირითადი ზომები | წონა | ||||||||
| L | H | H1 | D | M | C | A | θ | |||
| FJP-500XV-95 | 300 | 557 | 164 | 60 | 16 | 20 | 80 | 47.5° | 6.80 | |
| LJ2-500XV-55 | 300 | 548 | 78 | 60 | 16 | 24 | 80 | 55° | 7.60 | |
| LJ2-500XV-54 | 400 | 532 | 108 | 60 | 16 | 27 | 80 | 54° | 8.20 | |
| LJ2-500XV-50 | 300 | 577 | 109 | 60 | 16 | 24 | 80 | 50° | 8.00 | |
| LJ2-500XV-45 | 300 | 608 | 145 | 60 | 16 | 24 | 80 | 45° | 7.20 | |
| შენიშვნა: ძირითადი კორპუსი არის ალუმინი, ხოლო დანარჩენი არის ცხელი გალვანზირებული ფოლადის ნაწილები. | ||||||||||
| ტიპი | ძირითადი ზომები | წონა | ||||||||
| L1 | L2 | H | H1 | a | D | Φ | C | |||
| JP-300-N | 352 | 652 | 392 | 120 | 80 | 32 | 18 | 24 | 5.2 | |
| J-330N | 320 | 702 | 176 | 136 | 80 | 32 | 18 | 24 | 5 | |
| JP-330-NL | 270 | 650 | 392 | 120 | 80 | 32 | 18 | 24 | 2.5 | |
| შენიშვნა: ძირითადი კორპუსი არის ალუმინი, ხოლო დანარჩენი არის ცხელი გალვანზირებული ფოლადის ნაწილები. | ||||||||||
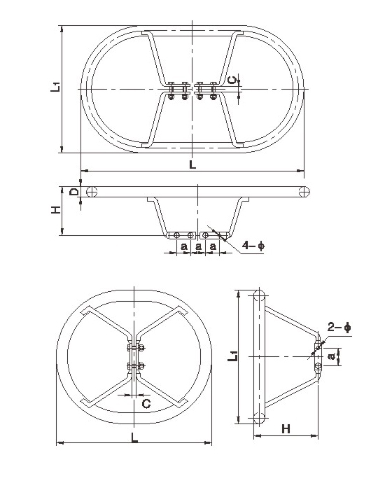
| ტიპი | ძირითადი ზომები | წონა | |||||||
| L | L1 | H | D | Φ | C | a | |||
| JL-500XS | 1050 | 600 | 230 | 50 | 18 | 24 | 60 | 6.20 | |
| LJ2-500XS | 1050 | 600 | 230 | 50 | 18 | 22 | 60 | 6.20 | |
| FJ-500XS/GH | 1050 | 600 | 230 | 60 | 14 | 22 | 60 | 14.3 | |
| FJ-500XS/GHE | 1150 წ | 600 | 270 | 60 | 18 | 24 | 60 | 6.80 | |
| FJP-500XSL | 1200 | 600 | 230 | 50 | 18 | 20 | 60 | 7.30 | |
| FJ-500XSL1 | 1200 | 600 | 230 | 50 | 18 | 22 | 60 | 7.30 | |
| FJ-500XSL2 | 1280 წ | 680 | 260 | 50 | 18 | 28 | 60 | 7.80 | |
| FJ-500XSL3 | 1280 წ | 680 | 285 | 50 | 18 | 24 | 60 | 8.00 | |
| LJ2-500XS/G | 1150 წ | 600 | 230 | 60 | 18 | 24 | 60 | 6.80 | |
| ტიპი | დიაგრამა | ძირითადი ზომები | წონა | |||||||
| L | L1 | H | D | Φ | C | a | ||||
| FJP-330XS | 1 | 900 | 600 | 231 | 32 | 14 | 22 | 120 | 10.6 | |
| FJP-330XD | 2 | 700 | 600 | 275 | 32 | 18 | 20 | 80 | 9.6 | |
| ცხელი გალვანზირებული ფოლადის ნაწილები | ||||||||||
| ტიპი | ძირითადი ზომები | წონა | |||||||
| L | L1 | L2 | H | D | Φ | C | |||
| PV-330 | 815 | 300 | 390 | 130 | 32 | 18 | 22 | 4.8 | |
| ცხელი გალვანზირებული ფოლადის ნაწილები | |||||||||
| ტიპი | ძირითადი ზომები | წონა | |||||||
| L | L1 | L2 | L3 | D | Φ | C | |||
| P-330X | 800 | 700 | 380 | 280 | 32 | 18 | 18 | 5.48 | |
| P-330XL | 800 | 700 | 380 | 280 | 32 | 18 | 18 | 2.70 | |
| ძირითადი კორპუსი არის ალუმინის ან ცხელი გალვანური ფოლადი | |||||||||
| ტიპი | ძირითადი ზომები | წონა | ||||||||
| L | L1 | L2 | H | H1 | D | Φ | C | |||
| JP-330-X | 800 | 270 | 350 | 220 | 145 | 32 | 18 | 18 | 4.2 | |
| FJP-330-NB | 800 | 320 | 380 | 392 | 150 | 32 | 18 | 16 | 4.8 | |
| JP-330-XL800 | 800 | 270 | 350 | 220 | 145 | 32 | 18 | 18 | 2.1 | |
| ძირითადი კორპუსი არის ალუმინის ან ცხელი გალვანური ფოლადი | ||||||||||














